Modern DSP joins old-school analog active-filter for a great Hybrid line addition The Hybrid rigs in the shack are great boxes and fun to play with. But they for the most part lack any of my preferred CW filtering options. The Yaesu FT-102 has crystal filters in both IF strips so you can adjust the bandwidth (BW) and center frequency (CF) as well as featuring an a narrow audio filter located just before the final AF amp so it's in pretty good shape. But the better sounding Kenwoods lack the audio filter and have varying (generally lesser) crystal filtering capability. Contrast this to the more modern filtering implemented in the Yaesu FT2000 which features a DSP IF with adjustable BW and CF, as well as a DSP implementation of the "APF" which has a frequency response almost the same as a Q=10 2-pole active filter. I prefer to use the APF with a bit wider DSP when working the CW bands on the FT2K as the DSP provides the absolute passband limits we have come to appreciate in modern rigs, while the APF provides that signal-jumps-from-the-floor sort of effect that you cannot get with a square-shaped passband DSP filters generally are programmed to provide. My plan has been to put that simple circuitry in a box to use with the older gear and having finally got around to doing it this year, the build looks like the following. TOPOLOGYThe chain is DSP filter --> analog peak filter --> buffer amp --> speaker amp.
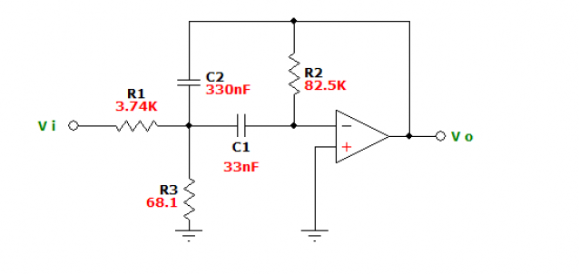
The buffer amp really should not have been needed but it provided some isolation between outputs that was needed. Of the two filters the DSP has the lesser peak signal handling capability so it ended up in the chain first. ANALOG PEAK FILTERThe Peak Filter is old-school active filter tech. I still have “The Active Filter Cookbook” on my shelf – well used, and from an era where no one had computers – and you scaled published designs to your frequency of interest. This filter was built using a modern tool of the computer age, FilterWiz Pro. FilterWiz lets you design pretty complicated filters of many types so the 2-pole application here was a trivial exercise taking minutes. There is an effect i have noticed with the Yaesu APF implementation which is a unity gain type. When you turn it on, the drop in the signal level away from the CF gives the impression that the volume has been turned down. To counter that I put a +6 dB gain on this stage. That way when when the filter is kicked in, the overall sound level stays about the same and any signal centered in the passband gets a nice snappy boost. Click HERE for more information on FilterWiz Pro. 
The circuit is simple as well requiring only one op-amp. As built I've added a virtual ground and fed it with a single positive +12 supply instead of the split supply assumed in the schematic.
DSP FILTER
I ran across a very slick stand-alone DSP filter implementation sold by a EU ham. It’s a PIC uP with some DSP capability built in. With this board you have the option to pick among 12 filters organized as “narrow” and “wide” - most suitable for CW and SSB respectively. It has a built-in speaker amp, and also includes switchable band-noise reduction and an auto-notch function. The noise reduction is not adjustable. Plots for the filter are not published so I was not quite sure how the board would perform in advance. Based on the description he does provide, I expected to see some pretty vertical transition bands and the filter did not disappoint there. The full feature set looks like this: - 501 tap "rectangular" bandpass FIR filters (no ringing) arranged in two groups of 6 filters each
Wide Group Narrow Group 300 - 2700Hz 400 - 900Hz 300 - 2400Hz 450 - 850Hz 300 - 2200Hz 500 - 800Hz 400 - 2200Hz 600 - 800Hz 400 - 2100Hz 500 - 700Hz 450 - 2000Hz 400 - 600Hz - LMS Auto-notch
- LMS Noise reduction
- LM380 AF power Amplifier
The filter went together easily and worked just as advertised from the start. Recommended. Click HERE for more information on the Cumbra Mini Filter. THE BUILD
The box as built allows the filters to be bypassed, individually enabled or cascaded with both inline. The enclosure was found on eBay and is an extruded type which has removable end caps and that makes drilling easier. The colored tape is used for now as a temporary label. When the construction is 100% complete, clear Brother label tape will be used for the final finishing step to give a nice clean look. Internally, here’s what it looks like below – wire dress, etc is not done as I want to run it for a while to make sure it’s working properly and that I have the right center frequency for the peaking filter. The toggle switches are clumsy compared to something with a tactical feel but they were quick, in the junk box and met the switching needs. If I were to rebuild the box again, I would use another switch choice - maybe some push buttons driving some latching relays would do the job. There is room above each switch to accommodate a status LED. 
The PCB is the DSP filter; the active filter is mounted on the multi-hole board. A dual-op-amp is configured as a unity gain follower driving the op amp filter stage. FILTER PERFORMANCEShown below are two graphs illustrating the filter performance. The first is a wider shot, the second is a tight frequency range of interest in CW. Click the graph for a high-res view. 

Some measured values of two filter settings: 500 Hz DSP: -6 dB 900/404 Hz BW: 496 Hz -60 978/328 Hz BW: 650 Hz Shape factor: 1.3:1 Peak Filter (analog): -6 dB 584/712 Hz BW: 128 Hz -20 dB 355/1050 Hz BW: 695 Hz Noise floor of the system is about -70 dBc which is about the limit of the test setup. Distortion was pretty low – the signal generator has about 0.5% and prior to clipping no increase was observed with either of the filters inline. THINGS TO DO Clean up wire dress Fix ground loop/hum pickup problem (12V PS?) Final labeling of front/back panels Lower PF filter Fc? Eliminate the audible click when switching PF in/out Consider other switching options to replace the toggles |