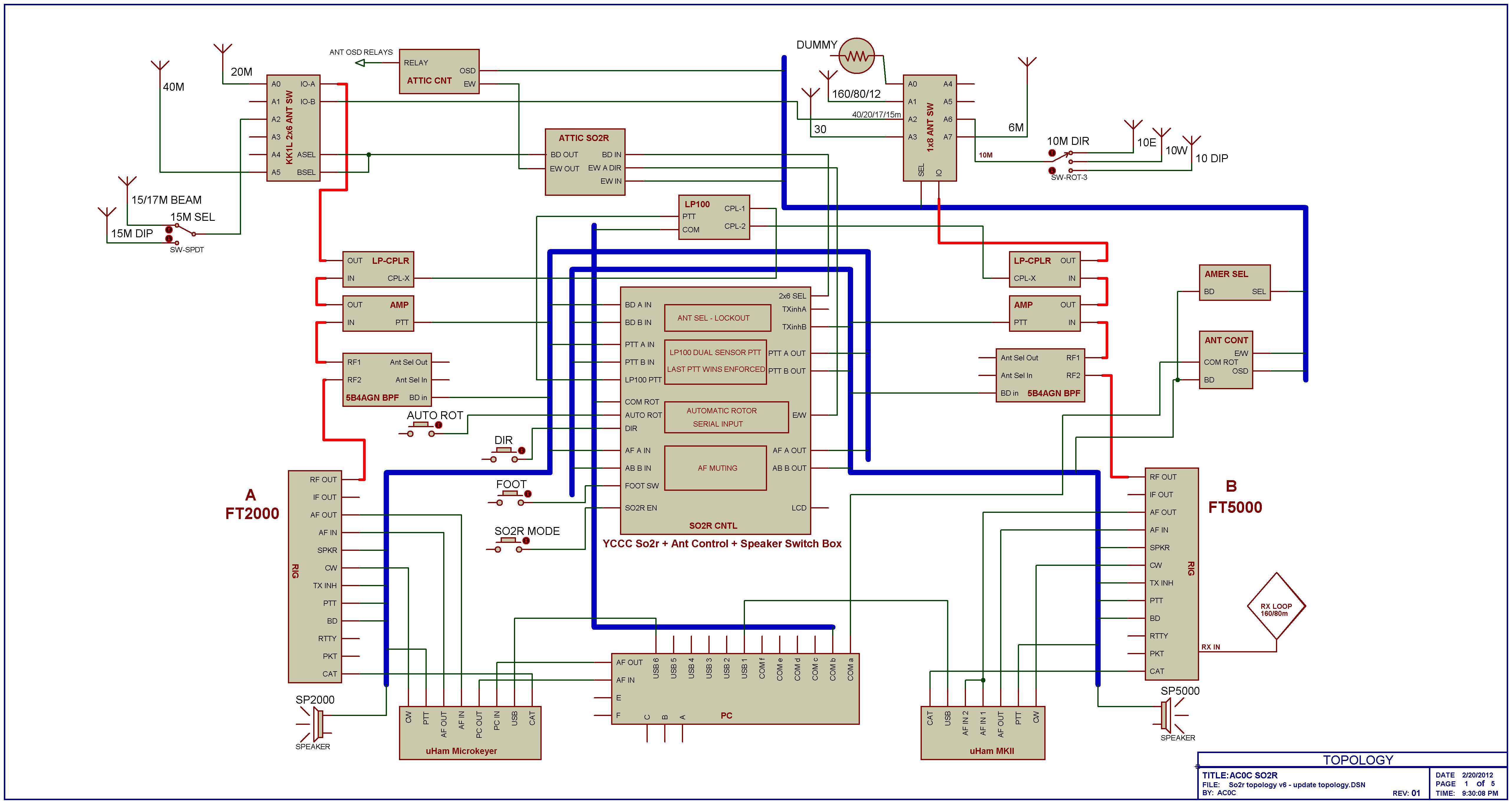
One of the rationales for adding the FT5K to the shack was that it opened the door to a SO2R configuration. And SO2R is important to help offset the necessary compromises a stealth antenna configuration requires against the more well antenna-equipped contesting field. What follows here is an explanation of the project, and later - results. The system topology is shown below. In addition to the So2r specific items, a lot of antenna work was required to get the two band antenna operation capability as well. Details on the antenna mods may be found here. Look for the items titled REBUILD in the menu to the left of that page. Click on the diagram to see a high-resolution version. 
|