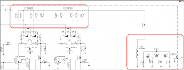
Measurements and Observations of the uTune Filters What It IsThe Yaesu uTune units are a simple LC filter with two special features. First, the coil is designed to be a high-Q type so that the bandwidth of the filter is minimized. And secondly, the tuned point of the filter tracks the rig's frequency automatically. A similar filter (albeit manually adjusted) is incorporated in the FT-2000 and FT-5000 in the guise of the VRF. The key components of the uTune unit are seen here in this schematic extract from the FT-dx9000 which featured the uTune units as part of the standard equipment offering. 
What Yaesu Says it Does
Yaesu has impressive advertising copy supporting the uTune units. However, the actual purpose of the uTune unit is to provide additional filtering of extremely strong out of band signals and reducing IMD products within the rig's front end. An example of this would be strong shortwave BC stations adjacent to the 40m band. These signals would pass through the rig's band-pass filtering and hit the mixer unattenuated, potentially causing IMD products to show up in the rig's 1st IF passband. The filter looks very sharp in the Yaesu advertising graphic (blue box graphic below), but consider that the frequency scale for that graph is 20 MHz wide. 
What the filters will not do is improve close-in signal performance. The filters are fantastically wide compared to the 1st IF filter in any of the current Yaesu rigs (40-400 KHz for the uTune vs. 300 Hz-6 KHz for the first IF crystal filters). But for an out-of-band problem signal, the extra bit of attenuation is repaid in IMD reductions at a ratio of 3:1. For example, a 10 dB drop of one of the strong signals would result in a 30 dB drop in the IMD product signal levels. Some owners report that there is a second potential benefit of the filter in that general band noise is reduced. This benefit is likely due to the insertion loss of the filters (about one S-unit) rather than the filtering action itself; for example 6 dB of signal attenuation (which the uTune filters provide) serves to drop any IMD products present by 18 dB. For further information and analysis of the rig's band-pass filters, see this link (Rig Preselectors in the So2r web page tab). VNA MeasurementsAs part of the FT-2000 review, Peter Hart of the RSGB provided this measurement information on the uTune units. Take note of the -6 dB bandwidth which ranges from 39 KHz (160m), increasing to 360 KHz (20m). 
Measurements of the individual units are shown in the following plots. Thanks to Mitch Fipps, N4MF. As can be read from the screen shots, the bandwidth measured by N4MF tracks very closely to the RSGB data: 80m: 95 KHz @ -6 dB 40m: 234 KHz @ -6 dB 20m: 319 KHz @ -6 dB 



Observations and CommentsThe uTune is an effective solution for users with huge signal out-of-band challenges, as is often the case in EU. For rig owners contemplating the purchase of the uTune units but for whom the cost of the units is a problem, alternatives include utilization of the VRF function built into the 2K and 5K series and traditional coax notch filtering. For US guys facing local AM broadcast troubles, the use of dedicated HPF filters like those provided by K8ZOA Jack Smith of Clifton Labs offer relief at a much lower cost. See measurements on the latest K8ZOA HPF here. |